Тип:NUP319ECP
бренд:SKF
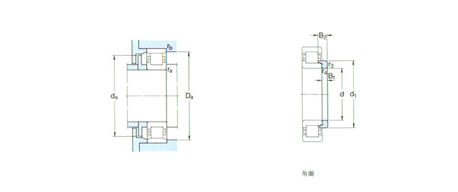
| d | 95 |
|---|---|
| D | 200 |
| B | 45 |
| Динамическая C | 390 |
|---|---|
| Статическое Co | 390 |
| Предел усталостной нагрузки Pu |
46.5 |
|---|
| эталонная скорость вращения | 3600 |
|---|---|
| предельная скорость вращения | 4300 |
| Стандарт качества клетка | 6.25 |
|---|
| Стандартная клетка | *NUP319ECP |
|---|---|
| Другие клетки1) | M,ML |
| d | 95 |
|---|---|
| d1 ~ |
132 |
| D1 ~ |
170 |
| F,E | 121.5 |
| р1,2 минимум |
3 |
| r3,4 минимум |
3 |
| s1) | - |
| da минимум |
109 |
|---|---|
| da максимум |
- |
| db, Da мин |
135 |
| Да максимум |
186 |
| ra максимум |
2.5 |
| rb максимум |
2.5 |
| kr | 0.15 |
|---|
| Тип | - |
|---|---|
| Качество | - |
| Размер В1 | - |
| Размер В2 | - |
















Онлайн 24/7
Scan, contact customer service